Характеристики
-
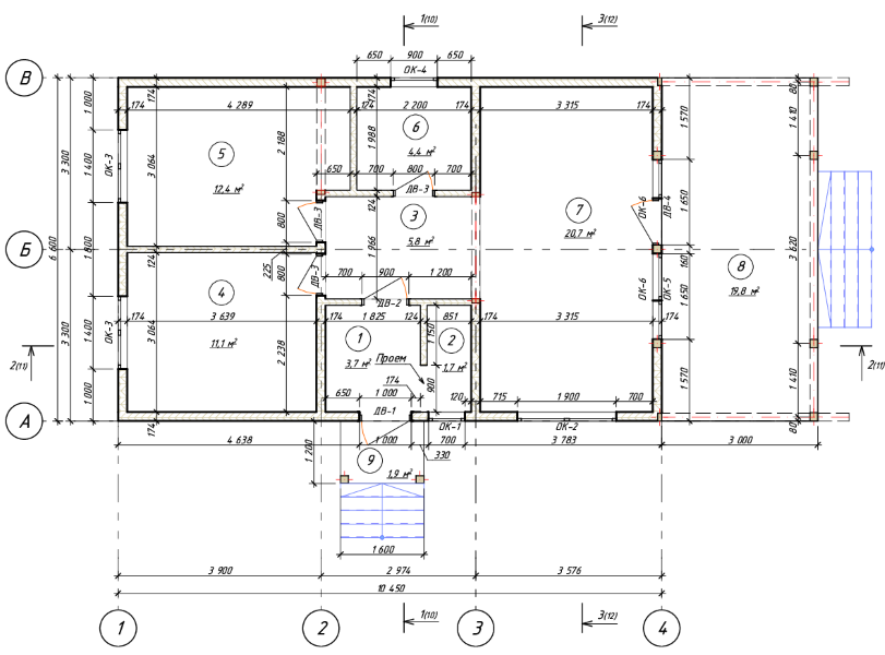
Тип строенияЖилой дом
-
МатериалSIP-панель
-
Тип фундаментаНа винтовых сваях
-
Площадь44.2
-
Этажность1
-
Габариты13450х6600
-
БалконНет
-
Второй светНет
-
ГаражНет
-
МансардаНет
-
Сауна/БассейнНет
-
ТеррасаДа
-
Цокольный этажНет





