Характеристики
-
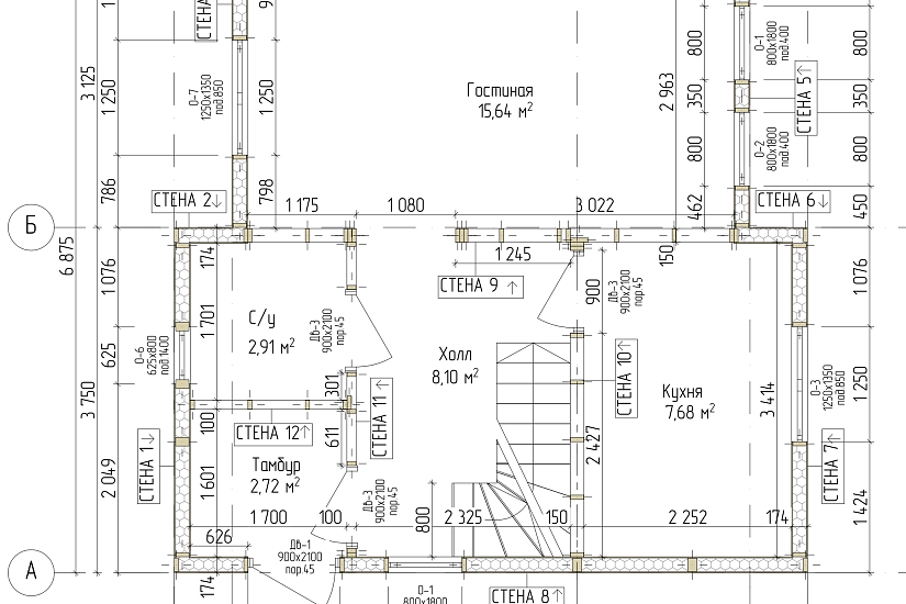
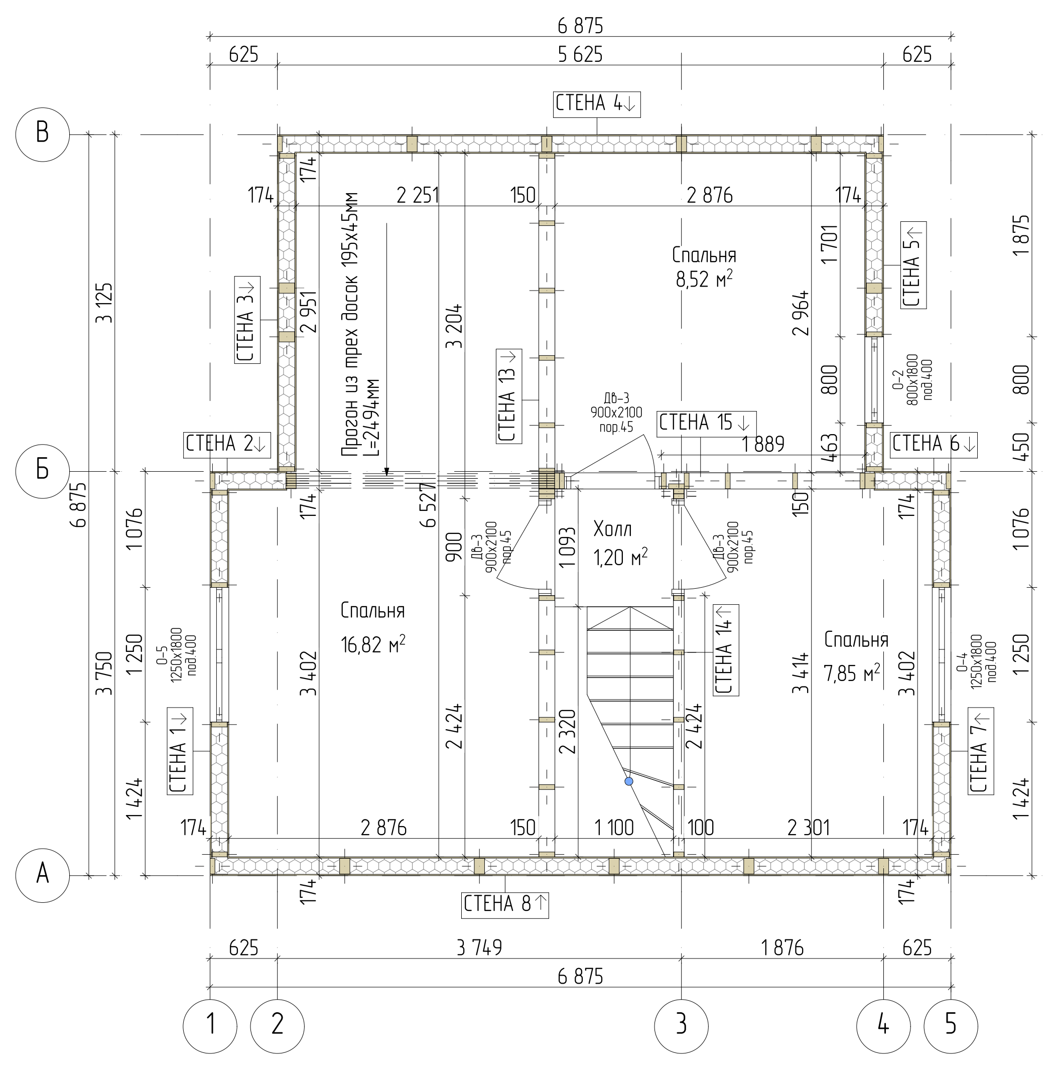
Тип строенияЖилой дом
-
МатериалSIP-панель
-
Тип фундаментаНа винтовых сваях
-
Площадь74
-
Этажность1,5
-
Габариты6875х6875
-
БалконНет
-
Второй светНет
-
ГаражНет
-
МансардаДа
-
Сауна/БассейнНет
-
ТеррасаНет
-
Цокольный этажНет







