Характеристики
-
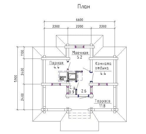
Тип строенияБаня
-
МатериалБрус
-
Тип фундаментаНа винтовых сваях
-
Площадь31,5
-
Этажность1
-
Габариты6600х5900
-
БалконНет
-
Второй светНет
-
ГаражНет
-
МансардаНет
-
Сауна/БассейнНет
-
ТеррасаДа
-
Цокольный этажНет

