Характеристики
-
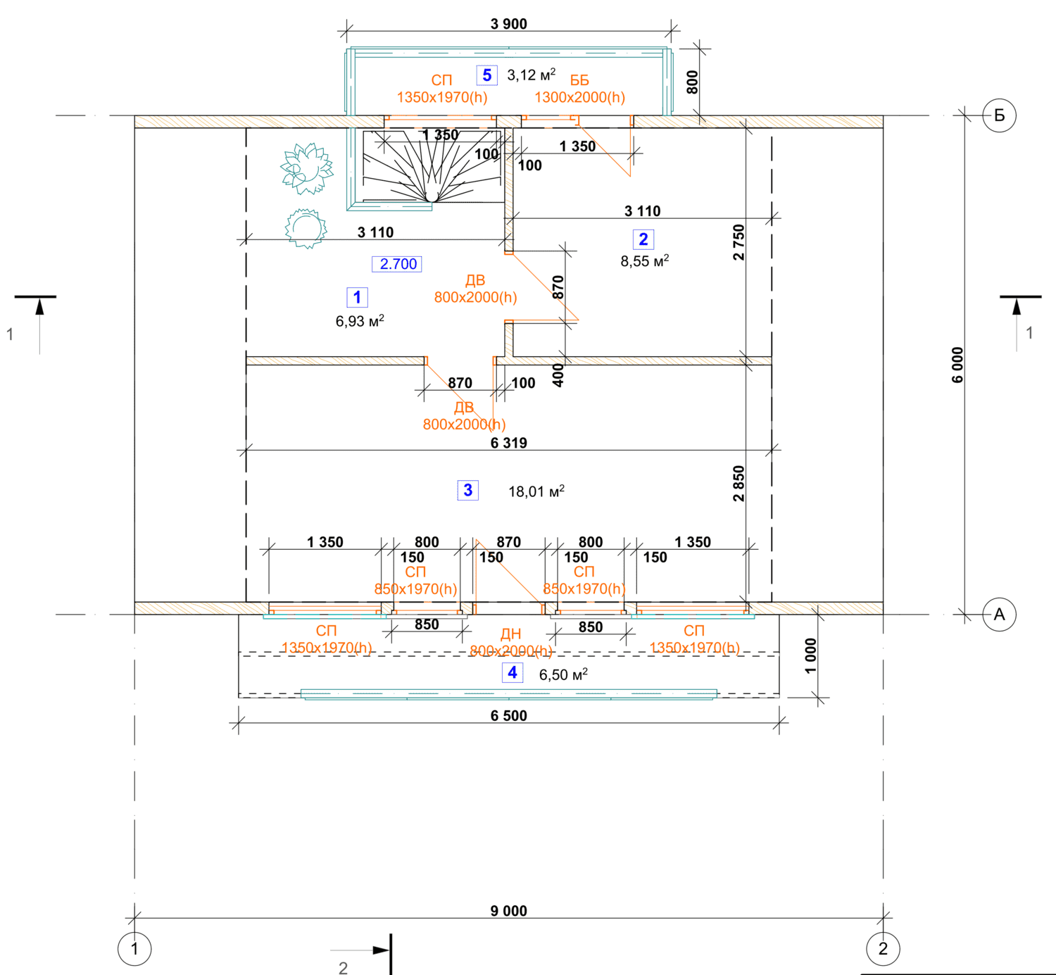
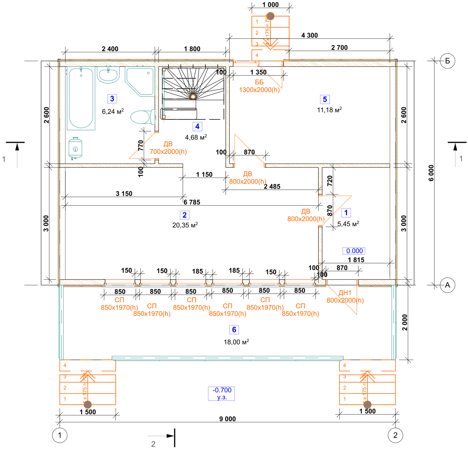
Тип строенияЖилой дом
-
МатериалКирпич
-
Тип фундаментаНа винтовых сваях
-
Площадь113,23
-
Этажность2
-
Габариты9000х6000
-
БалконДа
-
Второй светНет
-
ГаражНет
-
МансардаНет
-
Сауна/БассейнНет
-
ТеррасаДа
-
Цокольный этажНет







