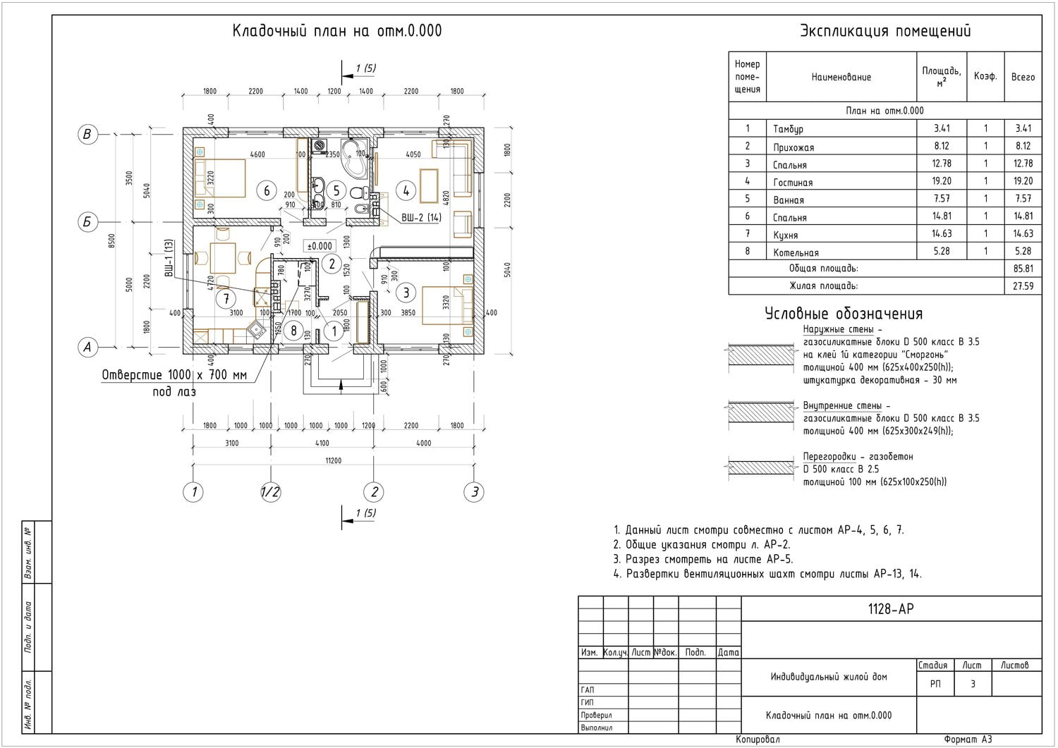
Характеристики
-
Тип строенияЖилой дом
-
МатериалГазосиликат
-
Тип фундаментаНа винтовых сваях
-
Площадь86
-
Этажность1
-
Габариты11200х8500
-
БалконНет
-
Второй светНет
-
ГаражНет
-
МансардаНет
-
Сауна/БассейнНет
-
ТеррасаНет
-
Цокольный этажНет



