Характеристики
-
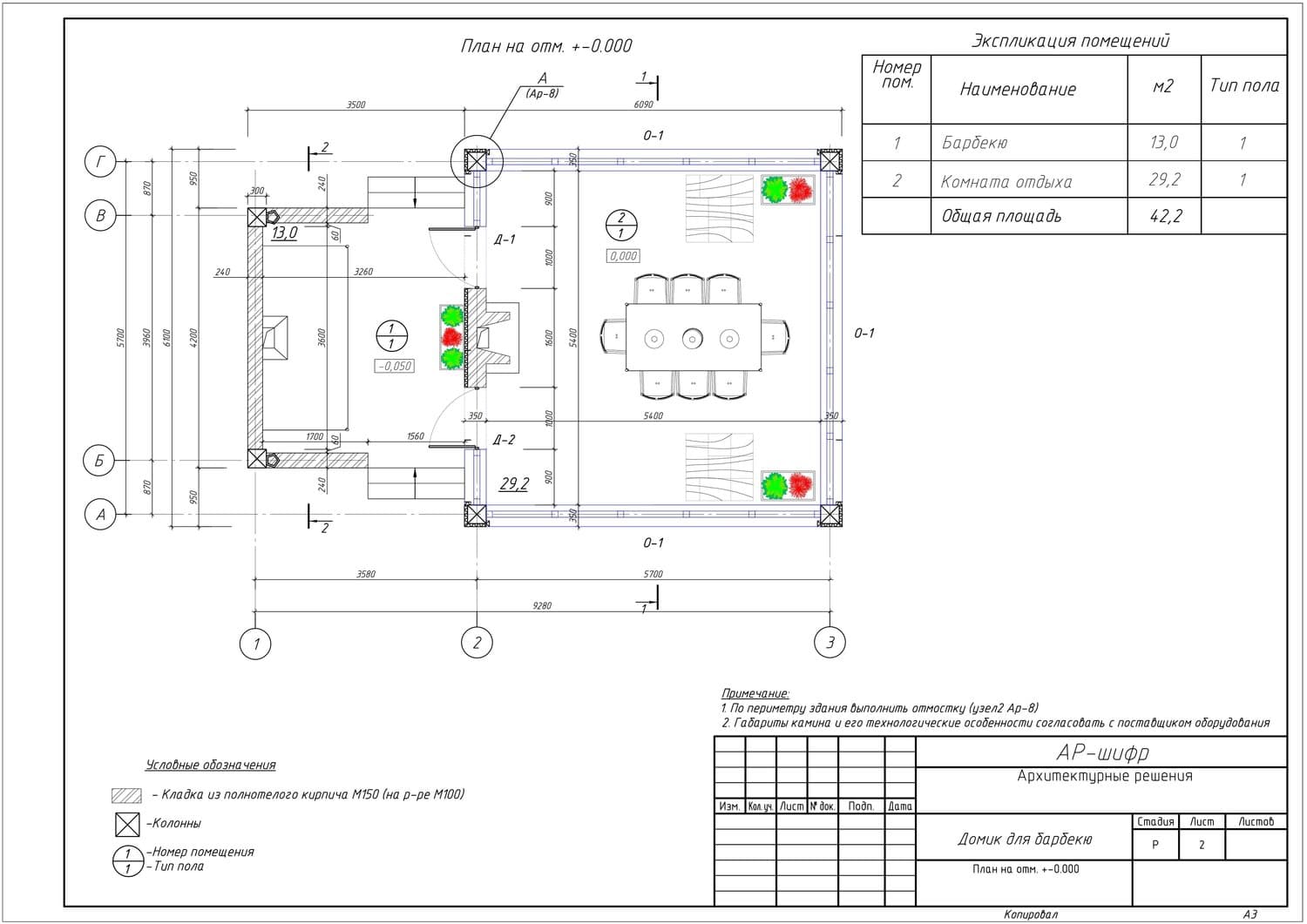
Тип строенияБеседка
-
МатериалКирпич
-
Тип фундаментаНа винтовых сваях
-
Площадь42
-
Этажность1
-
Габариты9590х6100
-
БалконНет
-
Второй светНет
-
ГаражНет
-
МансардаНет
-
Сауна/БассейнНет
-
ТеррасаНет
-
Цокольный этажНет



