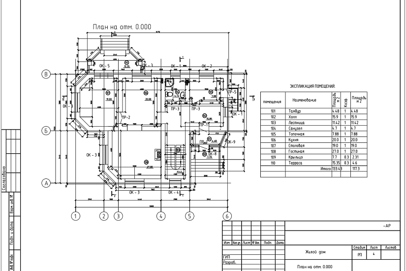
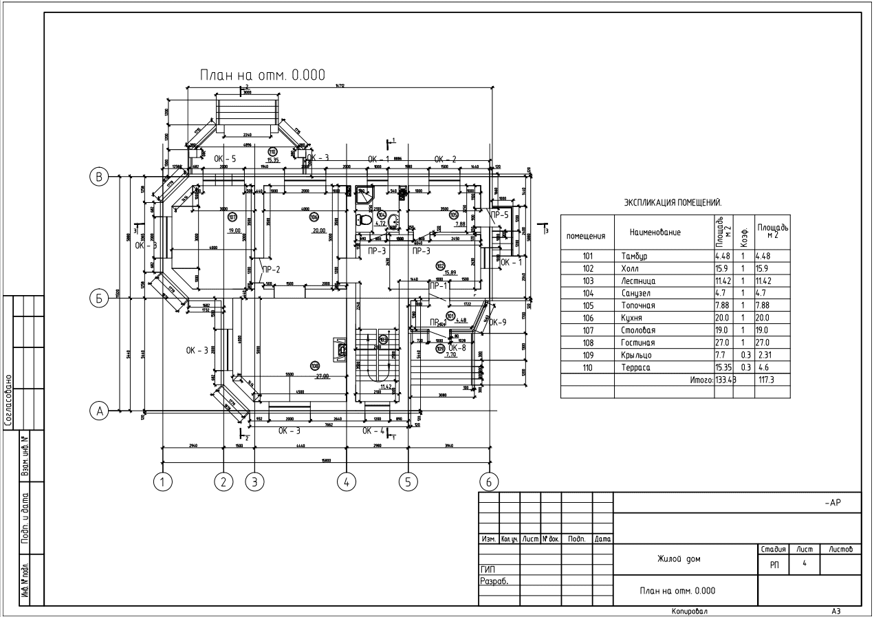
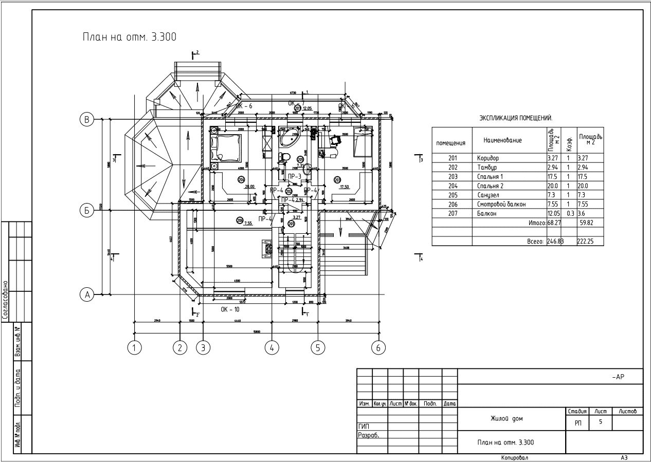
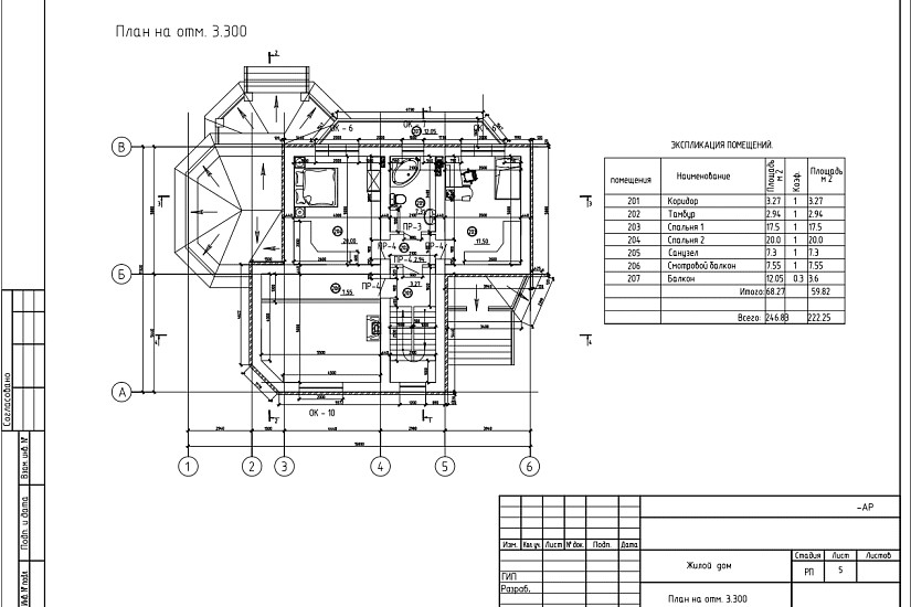
Характеристики
-
Тип строенияЖилой дом
-
МатериалШлакоблок
-
Тип фундаментаНа винтовых сваях
-
Площадь222
-
Этажность2
-
Габариты11320х14712
-
БалконДа
-
Второй светНет
-
ГаражНет
-
МансардаНет
-
Сауна/БассейнНет
-
ТеррасаДа
-
Цокольный этажНет






