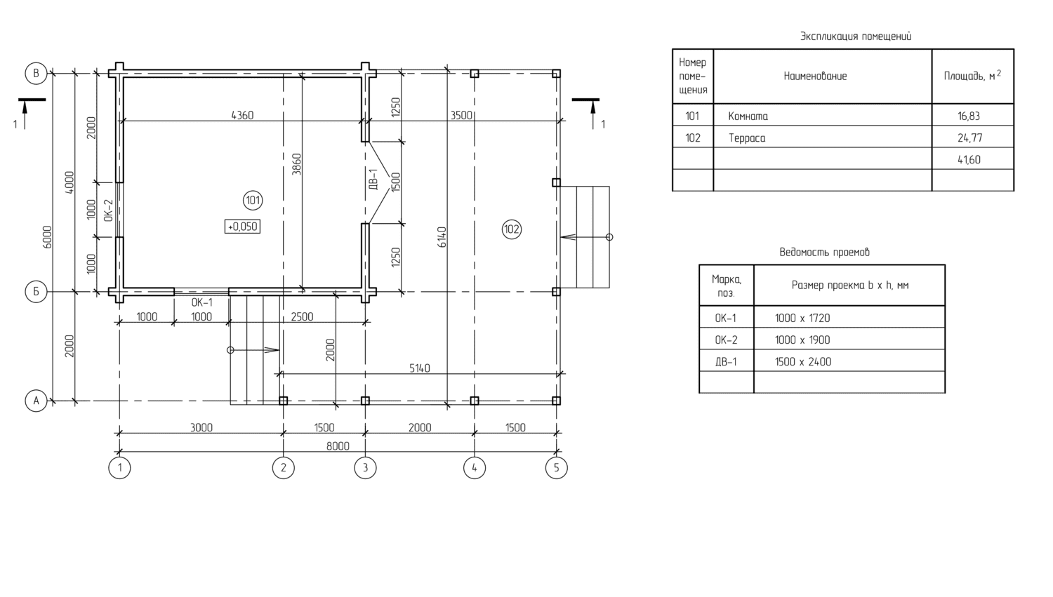
Характеристики
-
Тип строенияБеседка
-
МатериалБрус
-
Тип фундаментаНа винтовых сваях
-
Площадь41
-
Этажность1
-
Габариты6000х8000
-
БалконНет
-
Второй светНет
-
ГаражНет
-
МансардаНет
-
Сауна/БассейнНет
-
ТеррасаДа
-
Цокольный этажНет



