Характеристики
-
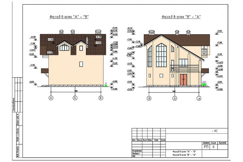
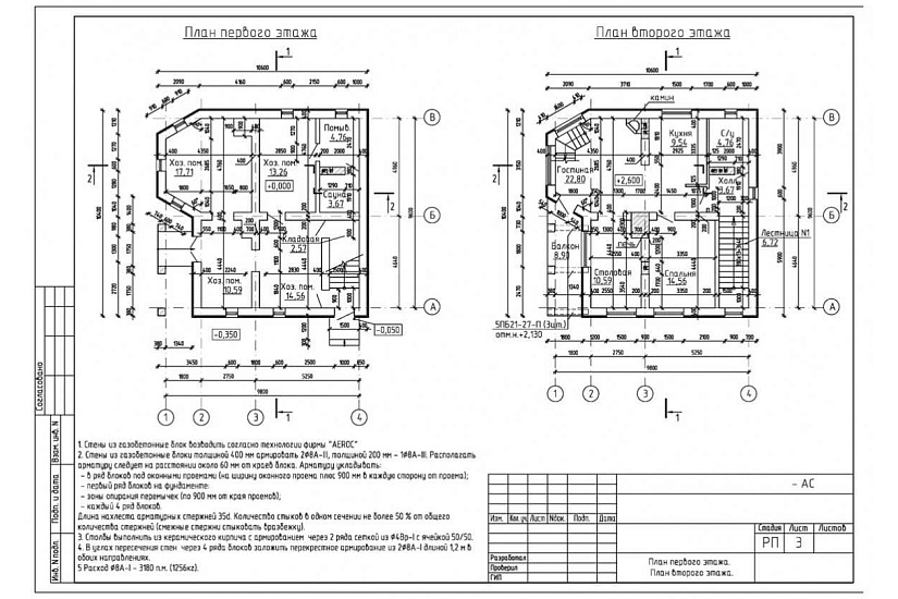
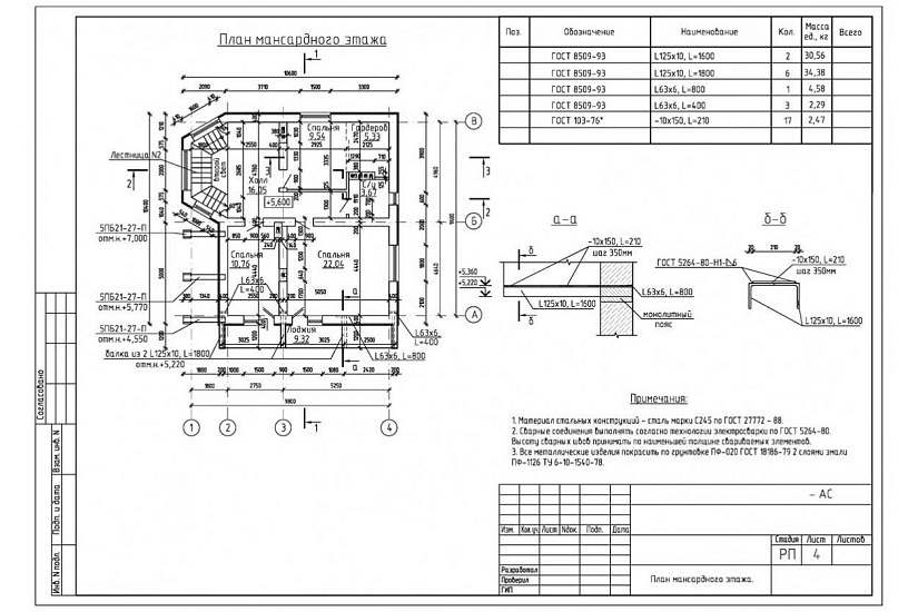
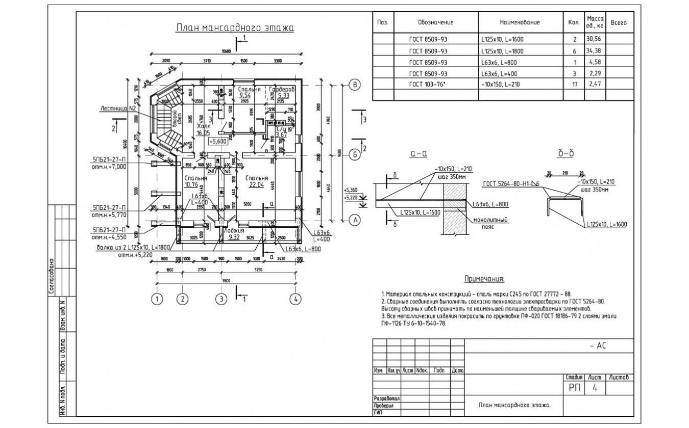
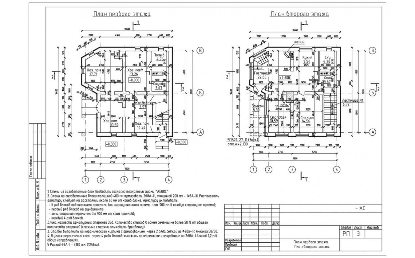
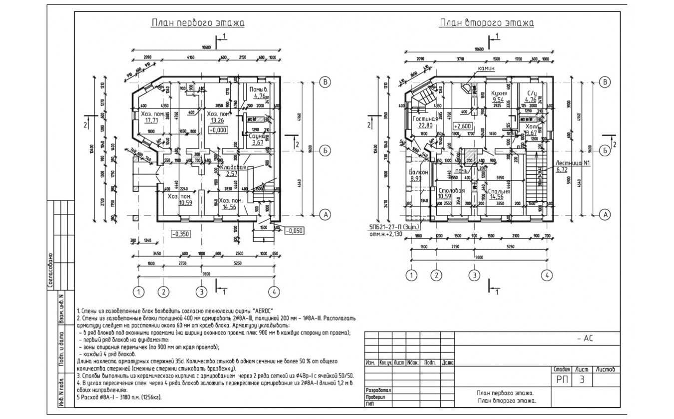
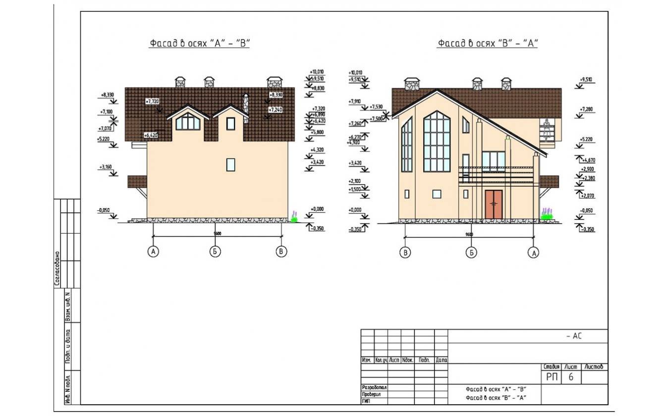
Тип строенияЖилой дом
-
МатериалГазосиликат
-
Тип фундаментаНа винтовых сваях
-
Площадь275
-
Этажность2
-
Габариты9800*10400
-
БалконДа
-
Второй светНет
-
ГаражНет
-
МансардаДа
-
Сауна/БассейнДа
-
ТеррасаНет
-
Цокольный этажНет












