Характеристики
-
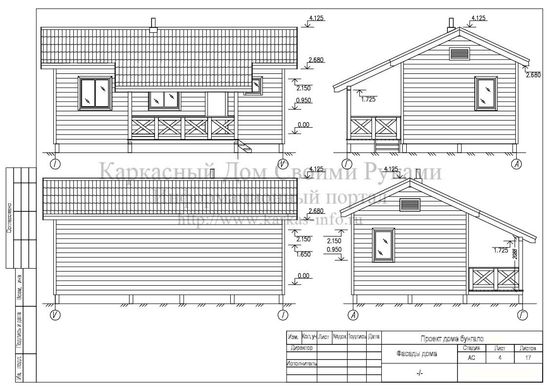
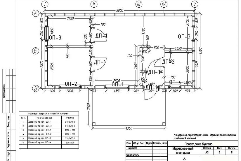
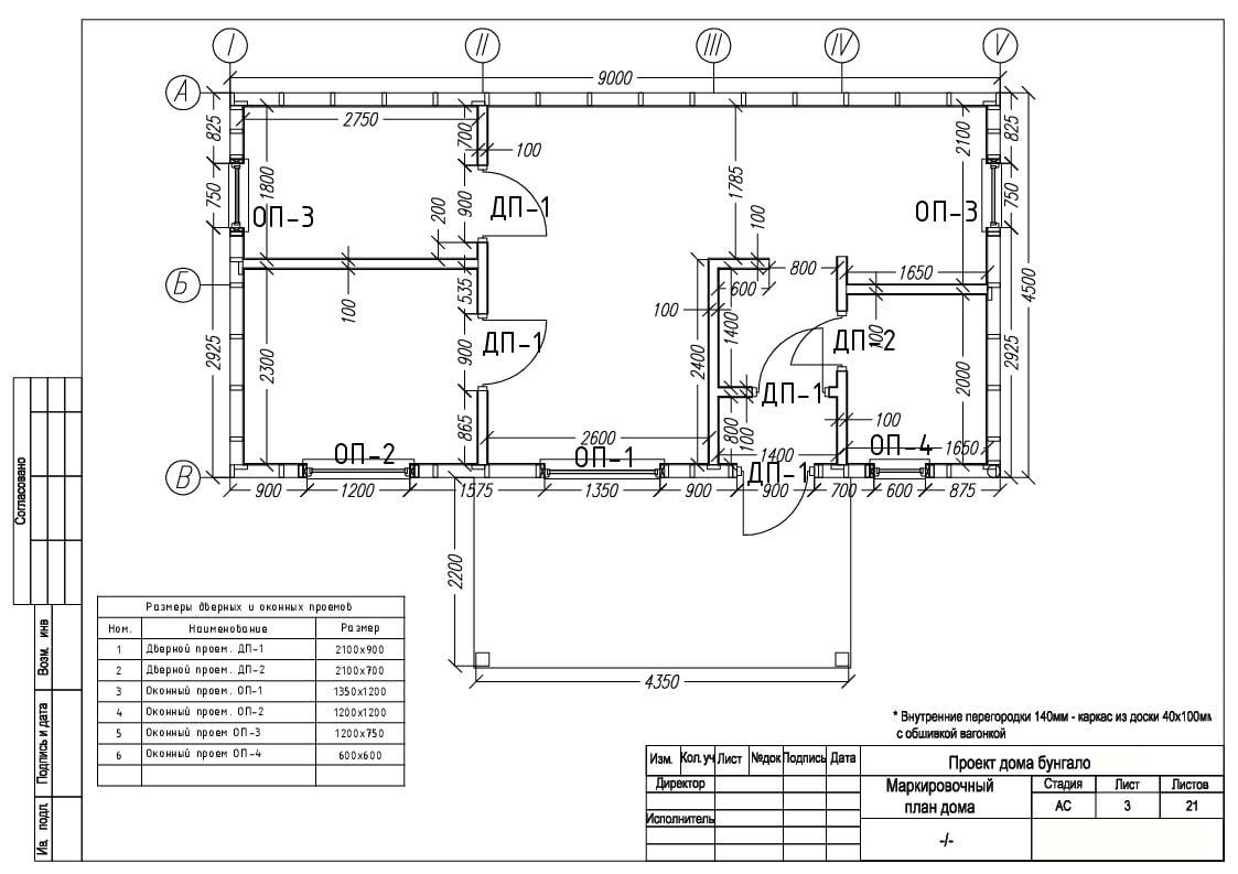
Тип строенияЖилой дом
-
МатериалДеревянный каркас
-
Тип фундаментаНа винтовых сваях
-
Площадь36
-
Этажность1
-
Габариты4,5х9
-
БалконНет
-
Второй светНет
-
ГаражНет
-
МансардаНет
-
Сауна/БассейнНет
-
ТеррасаДа
-
Цокольный этажНет



