Проект предоставлен партнером:
БРУСНИКА /
sk-brusnika.ru
Характеристики
-
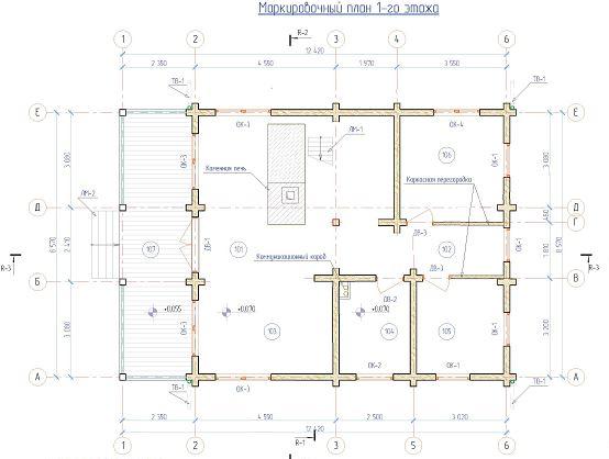
Тип строенияЖилой дом
-
МатериалБрус
-
Тип фундаментаНа винтовых сваях
-
Площадь104
-
Этажность1,5
-
Габариты8570х12120
-
БалконНет
-
Второй светНет
-
ГаражНет
-
МансардаДа
-
Сауна/БассейнНет
-
ТеррасаДа
-
Цокольный этажНет




