Характеристики
-
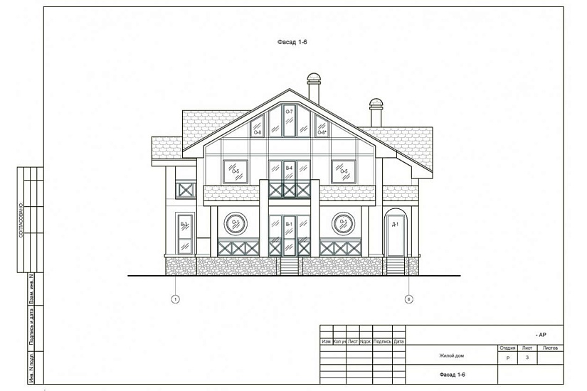
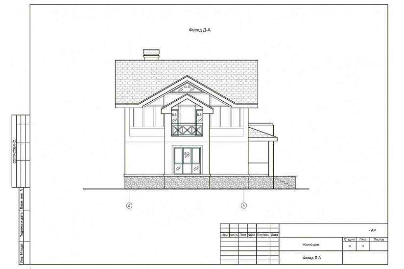
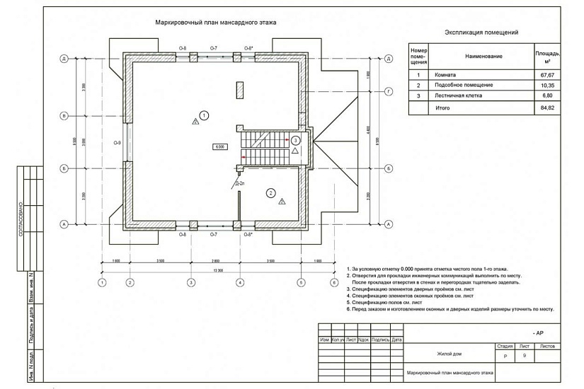
Тип строенияЖилой дом
-
МатериалГазосиликат
-
Тип фундаментаНа винтовых сваях
-
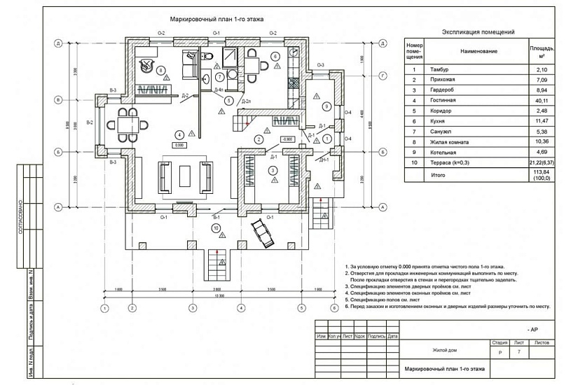
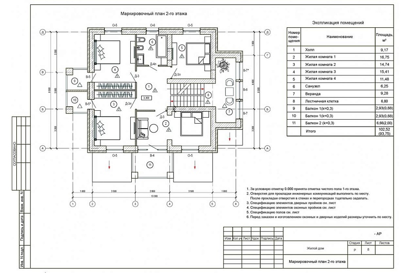
Площадь253
-
Этажность2
-
Габариты13300*9500
-
БалконДа
-
Второй светНет
-
ГаражНет
-
МансардаДа
-
Сауна/БассейнНет
-
ТеррасаДа
-
Цокольный этажНет










